电动铆接装置 电动铆接装置
电动铆接装置
返回列表

电动铆接装置

  • 力:7-15 kN
  • 行程:5-500 mm
  • 工业4.0:数据收集与优化
  • 主要特点:可集成FMW Friedrich铆接单元,采用伺服技术实现更长行程
电动铆接装置
产品描述

FMW Friedrich的电动铆接装置为各种铆接任务提供了卓越的精度和灵活性。这些装置设计用于轻松集成到自动化系统或手动设置中,可确保一致和高质量的结果。其先进的控制系统允许精确调整,使其适用于各种材料和铆接方法。这些装置具有耐用性和长期使用性,需要最少的维护,最大限度地提高生产率,同时最大限度地减少停机时间。无论是用于小型操作还是大型工业环境,FMW Friedrich的铆接装置都能提供可靠、高效的性能,使其成为现代高要求制造环境中的关键部件。

技术规格

 

  NE0-A RE100 NE100 / NE200 NE2-K NE4-U
铆接直径 (mm)
(Rm=370 N/mm²)
0,4 - 3,5 1 - 3 / 2 -6 / 2 - 7 1 - 4 / 2 -6 / 3 - 10 3 -10 3 - 12 / 4 - 18
最大铆接力 (kN) 0,7 / 1,3 / 1,9 2,5 / 6,5 / 8,2 3 - 6 / 12 6 / 12 15/20 / 30/40
主轴敲击 (mm) 5 - 50 5 - 30 5 - 30 5 - 50 5 - 60
工作压力 (bar) 1 - 6 pn. 1 - 6 pn. 1 - 6 pn. 1 - 6 pn. 1 - 6 / 8 pn.
铆接电机 230/400 V 50 Hz (kW) 0,084 (24V DC)
0,36 (48V DC)
0,37 0,74 0,56 1,9
最大双冲程容量 (l) 0,12 / 0,17 / 0,22 0,58 / 0,78 0,35 / 0,7 / 1,45 1,06 / 1,67 3 / 4,6
大致重量 (kg) 35 35 55 50 100
铆钉模直径(mm) 8 10 / 14 10 / 14 14 14 / 30
铆接模具长度 (mm) 50 - 140 40 - 120 / 40 - 170 40 - 120 / 40 - 170 40 - 170 70 - 170 / 45 - 200

 

  NE210 NE300 NE400 NE430 NE510
铆接直径 (mm)
(Rm=370 N/mm²)
3 - 10 3 - 11 4 - 13 4 - 16 4 - 18
最大铆接力 (kN) 12 16 25 30 40
主轴敲击 (mm) 5 - 50 / 5 - 80 5 - 40 5 - 40 5 - 40 5 - 50 / 5 - 72
工作压力 (bar) 10 - 70 hy. 1 - 6 pn. 1 - 6 pn. 1 - 8 pn. 10 - 70 hy.
铆接电机 230/400 V 50 Hz (kW) 0,74 0,74 0,74 1,9 1,9
最大双冲程容量 (l) 0,2 - 0,3 1,86 2,08 2,08 0,45 / 0,65
大致重量 (kg) 55 85 90 95 70
铆钉模直径 (mm) 14 14 14 30 30
铆接模具长度 (mm) 40 - 170 70 - 170 70 - 170 75 - 200 75 - 200

 

应用实例

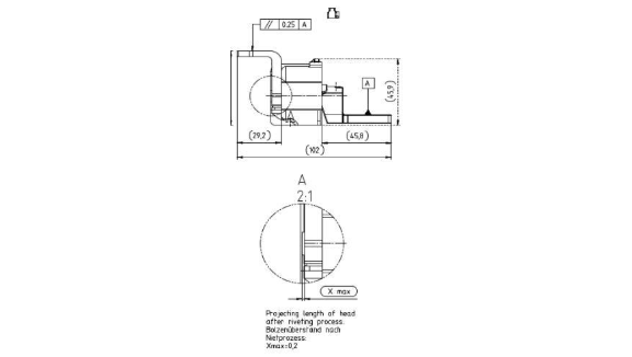
两个部件的组合没有损坏或移动。铆接区域抵抗扭矩。

头部投影长度最大小于0.2mm

旧Cpk≥1.33

新Cpk≥1.67

2
1
服务描述
  • 专家咨询,帮助您探索所有选择,为您的业务找到最佳解决方案
  • 我们的测试中心允许您在购买前体验我们设备在压制、扭矩和铆接过程中的性能
  • 全面的培训计划,指导您完成所提供解决方案的操作和维护
  • 从第一天起就提供持续支持,以确保您的系统以最佳性能运行
关闭
(1) Select Company Name(s)
输入您的联系信息
  • 联系人姓名:*
  • 联系电话:[xxxxxxxxxx]*
  • 联系邮箱:*
  • 公司名称:*
  • 请求主题:*
  • 问题描述:
订阅
我们的时事通讯
关于“Systence”的最新技术信息和公司新闻。